製品の特徴
■特長
納時の製品の傷付き防止と作業性向上を目的に設計されたブラシです。
異なる厚みの製品にも対応しながらやさしく保持し、ワゴン内でのズレを防ぎます。
ロボット収納時のティーチング負荷も軽減し、自動化工程にも適応。工場内の作業効率向上と不良品削減に貢献します。
■ポイント
①異なる厚みの製品にも対応
ブラシの柔軟性により、サイズが異なる製品も安定して収納可能。ワゴン内でのズレを防ぎ、安全な保管をサポート。
②収納時のダメージを最小限に
植毛ブラシが製品をやさしく保持し、傷つきを防止。ロボットによる収納時も ティーチングの負荷を軽減し、作業の効率化に貢献。
動画
商品情報
| ご注文番号 | 型番 |
|---|---|
| 27710101 | WSB-BW-NH10NY3R |
| 毛丈(mm) | 植毛台高さ(mm) | 長さ(mm) | 植毛台幅(mm) | ブラシ材質 | 植毛台材質 | ブラシ色 | 重量(g) |
| 10 | 71 | 110 | 10 | NY(ナイロン) | ABS | 赤 | 34 |
| ご注文番号 | 型番 |
|---|---|
| 27720101 | WSB-K-NH10NY2R |
| 毛丈(mm) | 植毛台高さ(mm) | 長さ(mm) | 植毛台幅(mm) | ブラシ材質 | 植毛台材質 | ブラシ色 | 重量(g) |
| 10 | 41 | 110 | 10 | NY(ナイロン) | ABS | 赤 | 19 |
| ご注文番号 | 型番 |
|---|---|
| 27750101 | WSB-KT496-NH10NY2R |
| 27750201 | WSB-KT220-NH10NY2R |
| 毛丈(mm) | 植毛台高さ(mm) | 長さ(mm) | 植毛台幅(mm) | ブラシ材質 | 植毛台材質 | ブラシ色 | 重量(g) |
| 10 | 9 | 495 | 20 | NY(ナイロン) | PP+グラスファイバー | 赤 | 99 |
| 220 | 48 |
| ご注文番号 | 型番 |
|---|---|
| 21200001 | BF22-WR-1M |
| 毛丈(mm) | 植毛台高さ(mm) | 長さ(mm) | 植毛台幅(mm) | ブラシ材質 | 植毛台材質 | ブラシ色 | 重量(g) | 耐荷重 |
| 6 | 7 | 1000 | 22 | NY(ナイロン) | PVC | 赤 | 241 | 18kg/m |
| ご注文番号 | 型番 |
|---|---|
| 27740101 | WSB-EB-NH12NY03R |
| 毛丈(mm) | 植毛台高さ(mm) | 長さ(mm) | 植毛台幅(mm) | ブラシ材質 | 植毛台材質 | ブラシ色 | 重量(g) |
| 12 | 30 | 500 | 15 | NY(ナイロン) | PP+グラスファイバー | 赤 | 190 |
| ご注文番号 | 型番 |
|---|---|
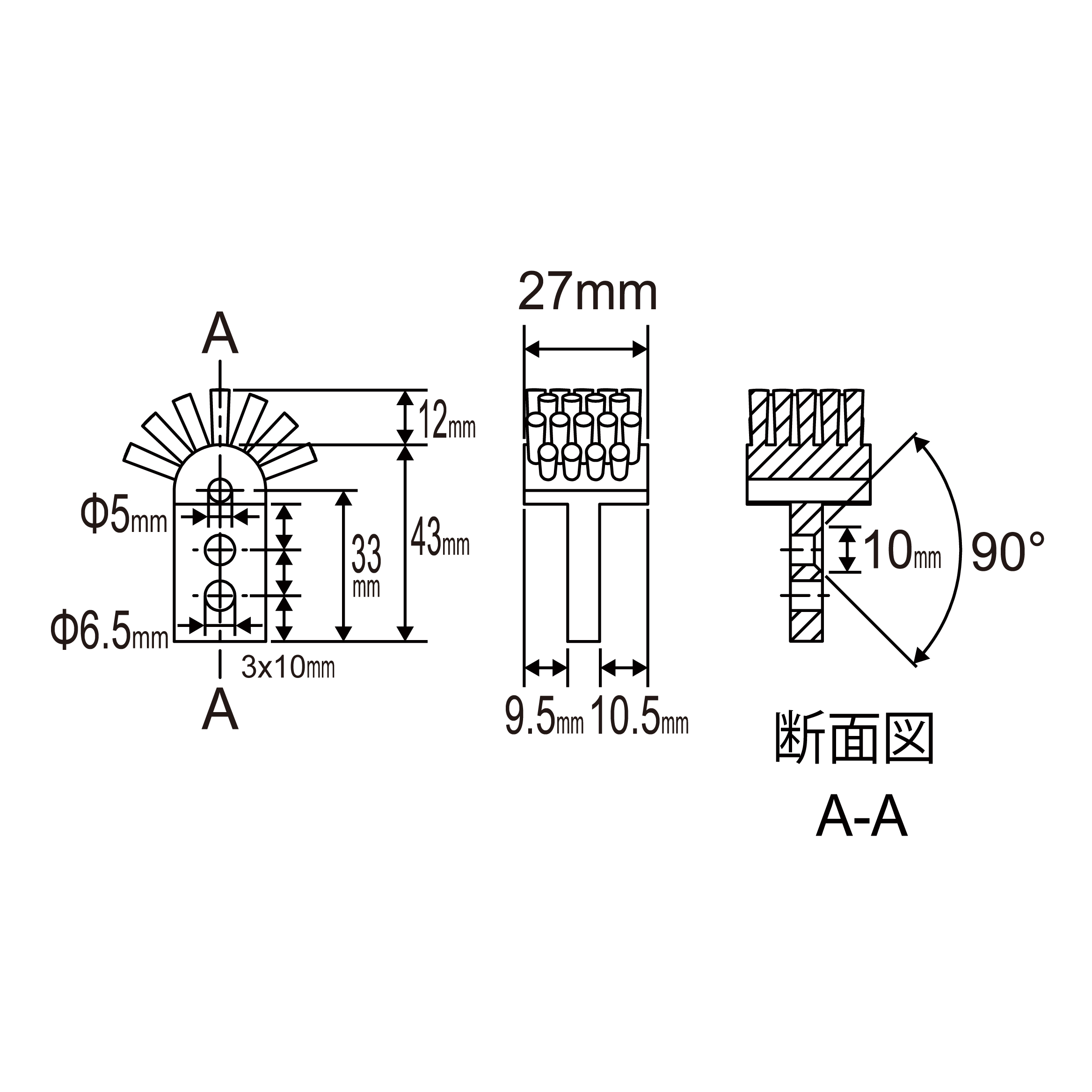
| 27740201 | WSB-EKT-NH12NY03R |
| 毛丈(mm) | 植毛台高さ(mm) | 長さ(mm) | 植毛台幅(mm) | ブラシ材質 | 植毛台材質 | ブラシ色 | 重量(g) |
| 12 | 43 | 27 | 20 | NY(ナイロン) | PP+グラスファイバー | 赤 | 11 |
テクニカルデータ
| 項目 | 内容 |
| セット品内容 | ブラシ |
| 耐熱温度 | 110℃ |
| 価格 | オープン価格 |
| 納期 | 在庫品 |
| 注意事項 | ワゴンはお客様でご用意ください |















